2-10 Vdc, 4-20 mA actuator - 70 lb-in, non-spring return , 24 Vac, 50/60 Hz || ML7174E2007/U
Артикул: ML7174E2007/U
Наименование: 2-10 Vdc, 4-20 mA actuator - 70 lb-in, non-spring return , 24 Vac, 50/60 Hz
Производитель: Honeywell
|
|
Product Specifications - Application
- HVAC
- Dimensions (in.)
- 5.55 in high x 3.39 in wide x 3.0 in deep
- Dimensions (mm)
- 141 mm high x 86 mm wide x 76 mm deep
- Includes
- 4074ENY Bag Assembly
- Weight (lb)
- 2.4 lb
- Weight (kg)
- 1.1 kg
- Materials
- Steel plate and Plenum rated plastic
- Mounting
- Direct Coupled
- Frequency
- 50 Hz, 60 Hz
- Customer Special
- Honeywell-Europe
- Electrical Connections
- Appliance cable
- Operating Humidity Range (% RH)
- 5 to 95% RH, non-condensing
- Supply Voltage
- 24 Vac ?20%
- Power Consumption
- Driving-- 5.4 VA
- Shipping and Storage Temperature Range (F)
- 20 F to 130 F
- Shipping and Storage Temperature Range (C)
- -18 C to +54 C
- Approvals, CE
- 89/336/ECC, 73/23/EEC
- Ambient Temperature Range (F)
- 20 F to 125 F
- Ambient Temperature Range (C)
- -18 C to +50 C
- Approvals, C-Tick
- N314
- Environmental, Electrical or Ingress Protection Rating
- NEMA 1, IP54
- Internal Auxiliary Switch
- 0
- Maximum Noise Rating
- Driving (dB(A) @ 1m)-- 45
- Stroke
- 90 degrees
- Shaft Dimensions (in.)
- 3/8 to 1/2 in. square or round
- Actuator Type
- Damper
- Control Signal
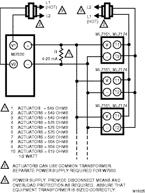
- 2-10 Vdc, 4-20 mA
- Fail Safe Mode
- Non-Spring Return
- Torque Rating (lb-in.)
- 70 lb-in.
- Torque Rating (Nm)
- 8 Nm
- Additional Torque Ratings (lb-in.)
- Maximum Stall-- 130 lb-in.
- Additional Torque Ratings (Nm)
- Maximum Stall-- 15 Nm
- External Auxiliary Switches Available
- Yes, 201052B
- Rotation to Open
- By switch
- Rotational Stroke Adjustment
- Mechanically limited at 45 or 60 degrees in CW or CCW directions
- Timing, Nominal
- Driving @ 60 Hz-- 90 sec
- Shaft Adapter Type
- Aluminum Hub, two set screws
- Manual operation
- Declutch mechanism
- Shaft Dimensions (mm)
- 10 to 13 mm square/round
- Input Impedance
- 45K ohm (2-10 Vdc signal), 536 ohm (4-20 mA signal)
- Electrical Connections (in.)
- 39 in.
- Electrical Connections (mm)
- 1 m
| | | | |
|
Назад в раздел
|